汽車散裝機
丁寶勤 13906276368(技術)
電話:0513-88400999 傳真:0513-88400998 郵箱:jszk@vip.163.com
汽車散裝機是江蘇中礦吸取國內外的成功經驗而研制的,適用于電力、建材、化工、糧食等部門,把干燥粉狀、粒狀物料裝入車、船卸載中。SZ型汽車散裝機系列產品九三年通過省級新產品鑒定,九四年被評為省優秀新產品金牛獎、市優秀新產品金鷹獎。技術指標均達到國際同類產品水平。SZ汽車散裝機具有自動控制,卸料能力大、無粉塵污染、料滿指示可靠、結構簡單、造價低廉等特點。汽車散裝機在火力發電廠主要用于干式除塵器、灰斗或貯灰庫、渣庫下裝車、裝船。汽車散裝機可與料庫下給料設施聯鎖運行,料車裝滿后,自動停止裝料,實現裝卸過程自動化,裝車效率高、粉塵污染少,是散裝粉、粒狀物料裝車、船的理想設備。經多年運行表明江蘇中礦汽車散裝機是深受用戶歡迎的創新產品。
針對國內外同類產品使用中所發現的問題,我單位做了如下改進:
1、內伸縮下料筒改為鋼質結構,壽命比布袋提高8-10倍,減少下料阻力,產量可達200噸/小時。
2、料滿控制器由原微壓控制器改為阻旋式料位控制儀,克服了經常因堵塞而影響控制信號的弊端。
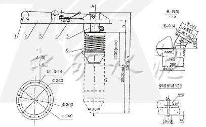
汽車散裝機的組成及用途
汽車散裝機主要由內外伸縮套節、電動驅動機構、引風機、壓力式料位計及底座組成一個完整的產裝車系統。
汽車散裝機廣泛用于各類煙塵除塵器、袋式除塵器、高壓靜電除塵器等卸料口輔助的配套收塵回收裝置,適用范圍及企業領域很廣,如大中小型發電廠、熱電廠、水泥廠、煤礦、化工制品廠、酒廠、造紙廠、玉米開發生產等各企業的煙氣除塵設備粉塵回收處理配套用,吸收了國外機型先進控制技術的特點,結合我國國情而開發設計的新一代包裝機械。
汽車散裝機在火力發電廠主要用于干式除塵器、灰斗或貯灰庫、渣庫下裝車、裝船。汽車散裝機可與料庫下給料設施聯鎖運行,料車裝滿后,自動停止裝料,實現自動化控制,裝車效率高,粉塵污染少,是散裝粉、粒狀物料裝車、船的理想設備。
汽車散裝機工作原理
運載汽車就位后,采用半自動控制機構,使散裝頭下降,當散裝頭與汽車入灰口上部密合后,再開啟自動控制機構;自動打開風機,再開啟上部給料器,開始向車內落料,當料罐裝滿時,料位計感應,發出信號,相應的電控、氣控系統自動關閉上部給料器,延時一段時間(一般4~6秒),自動關閉吸塵風機,自動提升散裝頭,完成一次卸料過程。給料器、吸塵風機在裝料和卸料的兩個過程中互為閉鎖。即前一個動作執行,后一個動作不能開啟或關閉,要打亂以上順序,必須解除聯鎖。
汽車散裝機技術參數:
1、裝載頭伸縮距離1600,伸降速度8m/min;
2、卷揚機起升速度8m/min功率05.KWJ電壓380V;
3、料面指示機構中壓力控制器技術參數;動作壓力250 -5000Pa額定電壓220V;額定電流3A,適用介質:清潔氣體;壓力0.01MPa,風機技術參數壓220V,功率350V;
4、樓板較薄時,地角螺放栓孔應直接鉆出如圖,螺栓GB5780-86M12X1L=40+樓板厚度;
5、收塵機自備,收塵風量40m3/min
6、電控箱訂貨時另行商議。

技術參數表
SZ-Ⅰ庫底散裝機示意圖


SZ-Ⅱ庫側散裝機技術參數表及示意圖

SZ汽車散裝機技術參數表及示意圖

















