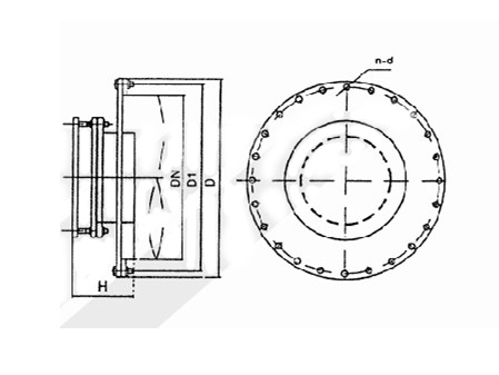
均化庫庫側檢修門
丁寶勤 13906276368(技術)
電話:0513-88400999 傳真:0513-88400998 郵箱:jszk@vip.163.com
均化庫庫側人孔門由外門和內門組成,采用碳素鋼制造,堅固耐用、密封性能優越、開啟方便、便于檢查均化庫內情況。
Side silo inspected door of homogenized silo is made up of outside and inside door which is made from excellent carbon steel. It is characterized by stable, wearable, good sealing capacity, convenient open and close and convenient to check the condition in silo.

上一頁:壓力平衡閥
下一頁:XS-C庫底庫側卸料裝置















